Доставка оборудования по всей Беларуси.
Вибратор общего назначения фланцевый КРАСНЫЙ МАЯК ИВФ-2,5-25 – дебалансный центробежный вибровозбудитель, вынуждающая сила, которого вызывается вращательным движением инерционного элемента. Фланцевые вибраторы предназначены для эксплуатации на виброустановках, в которых необходима вибрация, параллельная плоскости крепления вибратора.
Область применения
Вибратор КРАСНЫЙ МАЯК ИВФ-2,5-25 предназначен для возбуждения вибрации в установках по уплотнению бетонных смесей и грунтов, транспортированию, выгрузке и просеиванию сыпучих материалов, привода вибропитателей, виброплощадок и других технологических работ.
Принцип работы
Вибратор КРАСНЫЙ МАЯК ИВФ-2,5-25 представляет собой электродвигатель с установленными на концах вала ротора дебалансами. Дебалансы, вращаясь с валом ротора, создают центробежную (вынуждающую) силу.
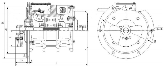
Габаритные размеры

Нет отзывов об этом товаре.
