Доставка оборудования по всей Беларуси.
Вибратор КРАСНЫЙ МАЯК ИВ-01-50 - дебалансный центробежный вибровозбудитель, вынуждающая сила, которого вызывается вращательным движением инерционного элемента.
Вибратор может работать с регулируемым электронным преобразователем частоты, позволяющим менять частоту вибрации от 0 до 1,5 номинальной, в пределах допустимой величины вынуждающей силы, экономить электроэнергию, ограничивать пусковые токи, выбирать оптимальный режим работ.
Область применения
Вибратор КРАСНЫЙ МАЯК ИВ-01-50 предназначен для возбуждения вибрации в установках по уплотнению бетонных смесей и грунтов, транспортированию, выгрузке и просеиванию сыпучих материалов, привода вибропитателей, виброплощадок и других технологических работ.
Принцип работы
Вибратор ИВ-01-50 представляет собой электродвигатель с установленными на концах вала ротора дебалансами. Дебалансы, вращаясь с валом ротора, создают центробежную (вынуждающую) силу.
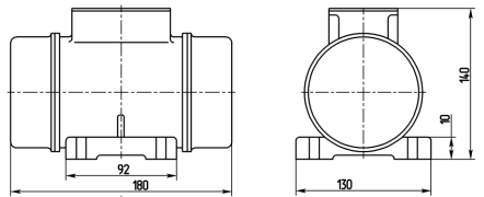
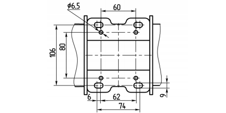
Габаритные размеры


Нет отзывов об этом товаре.
