Доставка оборудования по всей Беларуси.
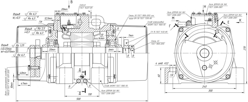
Вибраторы КРАСНЫЙ МАЯК ЭВВ-20-50 во взрывозащищенном корпусе - дебалансный центробежный вибровозбудитель, вынуждающая сила которого вызывается вращательным движением инерционного элемента.
Область применения
Вибраторы КРАСНЫЙ МАЯК ЭВВ-20-50 предназначены для возбуждения вынужденных колебаний активных систем вибрационных машин и механизмов, применяемых при выполнении вибрационных технологических процессов во взрывоопасных видах производств химической, газовой, нефтеперерабатывающей и смежных отраслей промышленности, где могут образовываться взрывоопасные смеси газов и паров с воздухом, отнесенные к категории IIА и группам Т1, Т2, Т3, Т4 по ГОСТ 30852.0-2002, ГОСТ 30852.11-2002. Область применения вибраторов во взрывоопасных зонах в соответствии с ГОСТ 30852.13-2002, ГОСТ 31438.1-2011. Вибраторы могут эксплуатироваться на вибростолах и виброплощадках для уплотнения бетонных смесей и грунтов, виброгрохотах для сортировки гранулированных и кусковых материалов, виброситах для просеивания или обезвоживания сыпучих материалов, вибротранспортерах и других вибромеханизмах.
Принцип работы
Вибратор КРАСНЫЙ МАЯК ЭВВ-20-50 представляет собой электродвигатель с установленными на концах вала ротора дебалансами. Дебалансы, вращаясь с валом ротора, создают центробежную (вынуждающую) силу.
Габаритные размеры

Нет отзывов об этом товаре.
